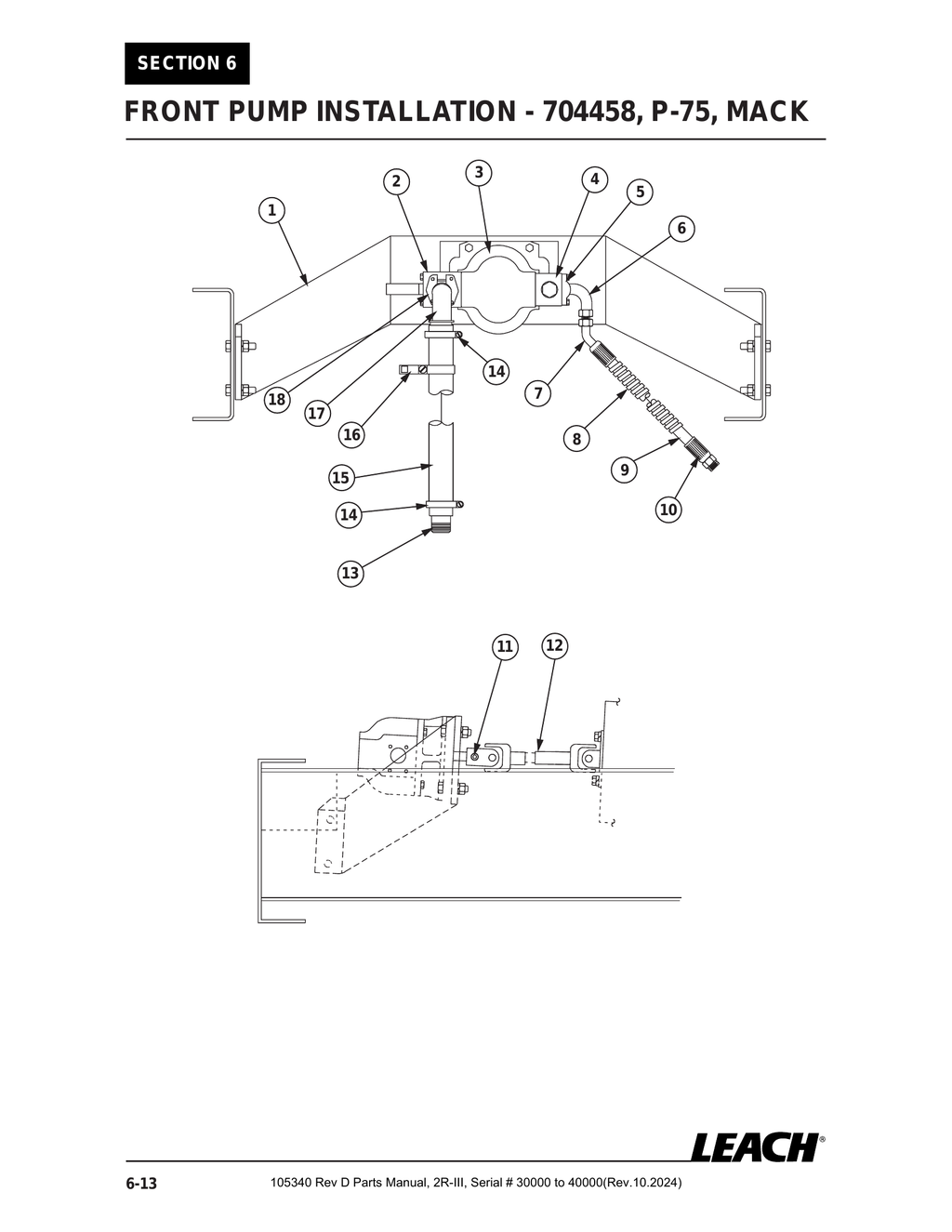
2R-III 30K/40K - PG 090 - Section 6 - FRONT PUMP INSTALLATION - 704458, P-75, MACK
Ref. No.
Item
Sugg Qty
Price
Quantity
2R-III 30K/40K - PG 090 - Section 6 - FRONT PUMP INSTALLATION - 704458, P-75, MACK
Fullscreen zoom
View all products
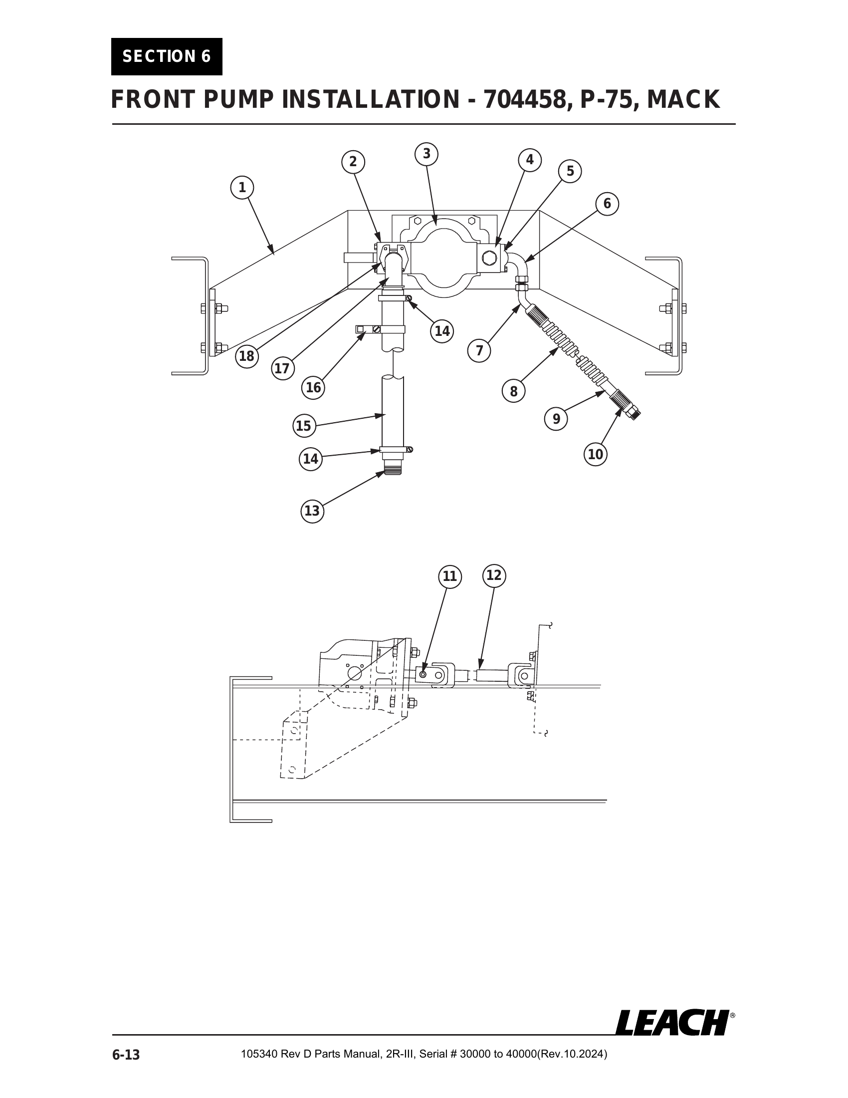
2R-III 30K/40K - PG 090 - Section 6 - FRONT PUMP INSTALLATION - 704458, P-75, MACK
Ref. No.
Item
Sugg Qty
Required number of pieces per Manufacturer specifications.
Price
Quantity
2
In stock
Out of stock
41058
KIT, Dry Valve (Includes The Following Items)
1
Call for Pricing
In stock
Out of stock
2
In stock
Out of stock
41058
KIT, Dry Valve (Includes The Following Items)
1
Call for Pricing
In stock
Out of stock
6
In stock
Out of stock
103545
FITTING, Hose, 1 1/2” Flange
1
Call for Pricing
In stock
Out of stock
6
In stock
Out of stock
103545
FITTING, Hose, 1 1/2” Flange
1
Call for Pricing
In stock
Out of stock
12
In stock
Out of stock
300109
ASSEMBLY, Drive Shaft, Un-welded, Includes The
1
Call for Pricing
In stock
Out of stock
12
In stock
Out of stock
300109
ASSEMBLY, Drive Shaft, Un-welded, Includes The
1
Call for Pricing
In stock
Out of stock