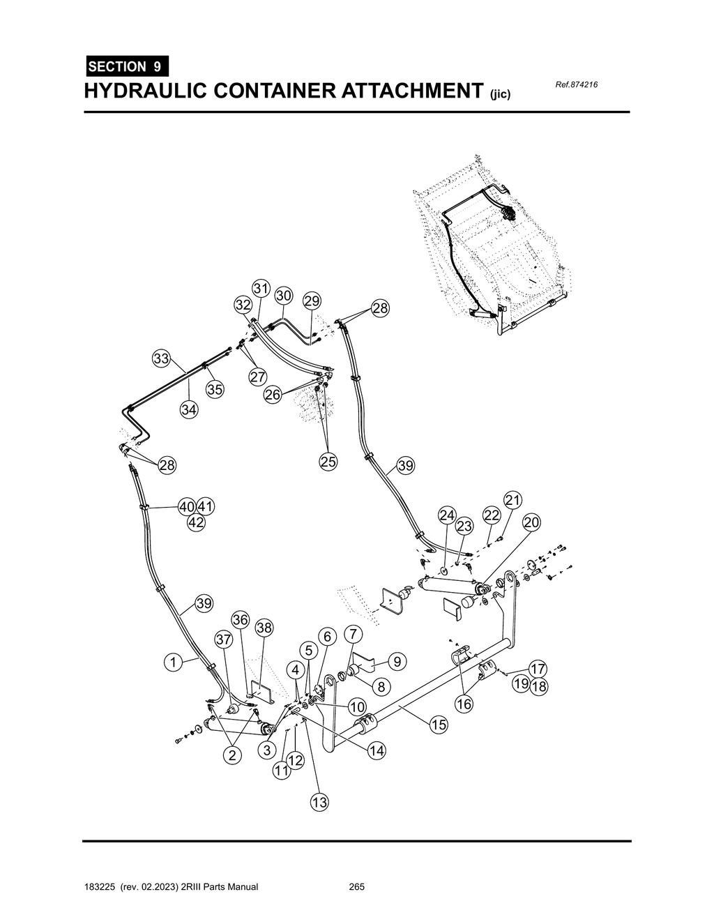
2R-III - PG 265 - SECTION 9 - HYDRAULIC CONTAINER ATTACHMENT (jic)
Ref. No.
Item
Sugg Qty
Price
Quantity
Fullscreen zoom
View all products
2R-III - PG 265 - SECTION 9 - HYDRAULIC CONTAINER ATTACHMENT (jic)
Ref. No.
Item
Sugg Qty
Required number of pieces per Manufacturer specifications.
Price
Quantity
20
In stock
Out of stock
HYC00813-02
CYLINDER (See page 207 for components)
2
Call for Pricing
In stock
Out of stock
20
In stock
Out of stock
HYC00813-02
CYLINDER (See page 207 for components)
2
Call for Pricing
In stock
Out of stock