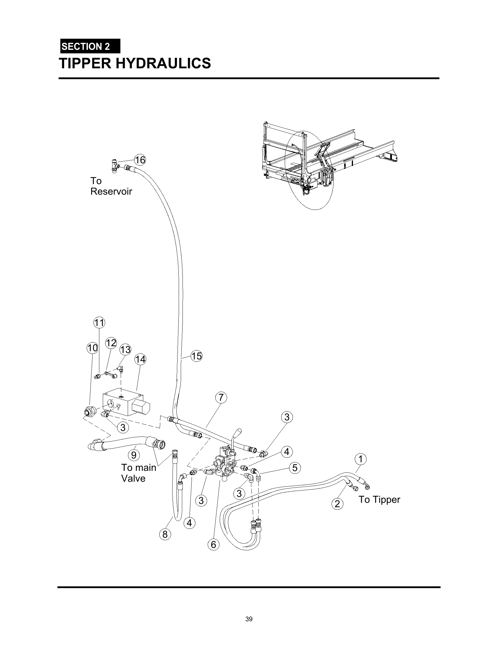
MiniMax - PG 039 - Section 2 - TIPPER HYDRAULICS
Ref. No.
Item
Sugg Qty
Price
Quantity
Fullscreen zoom
View all products
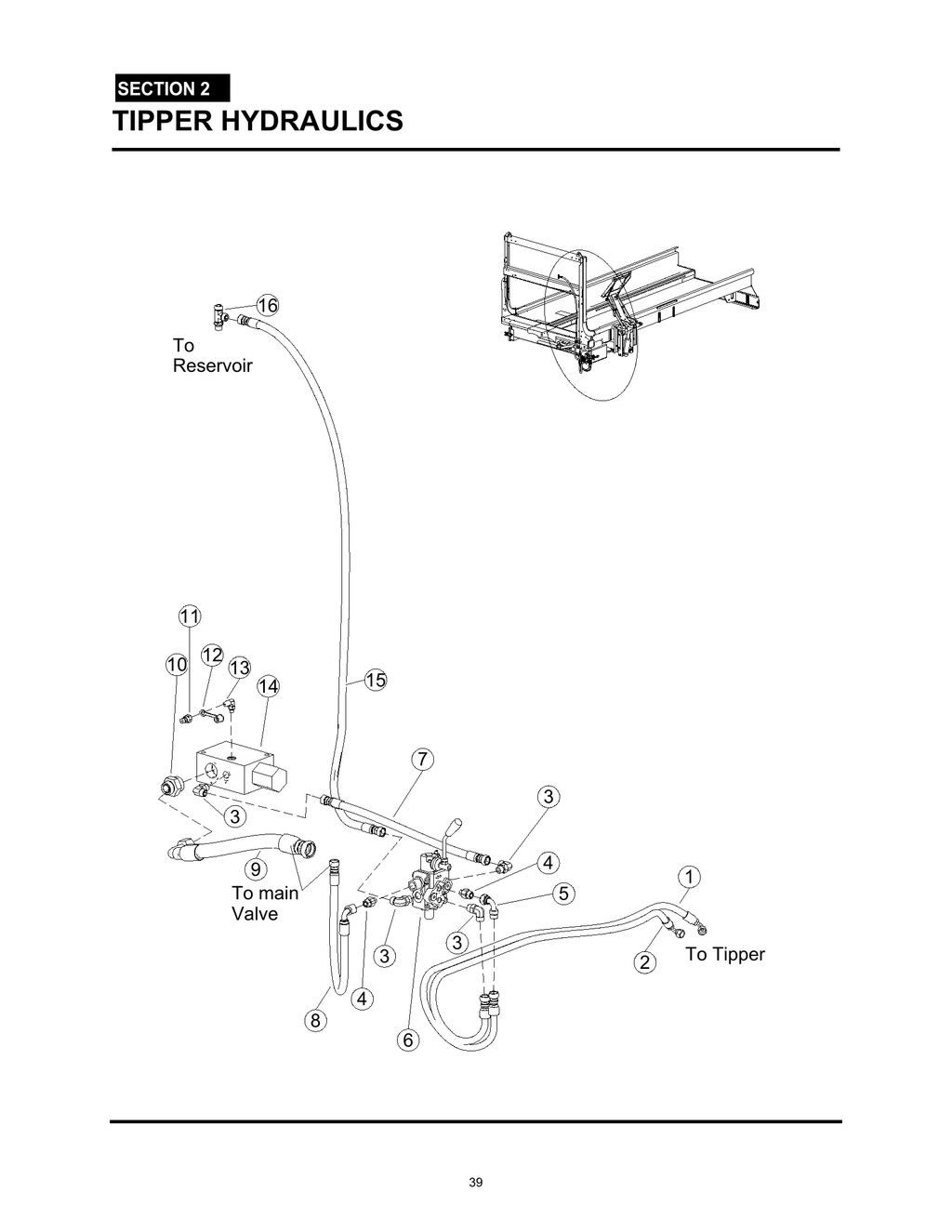
MiniMax - PG 039 - Section 2 - TIPPER HYDRAULICS
Ref. No.
Item
Sugg Qty
Required number of pieces per Manufacturer specifications.
Price
Quantity