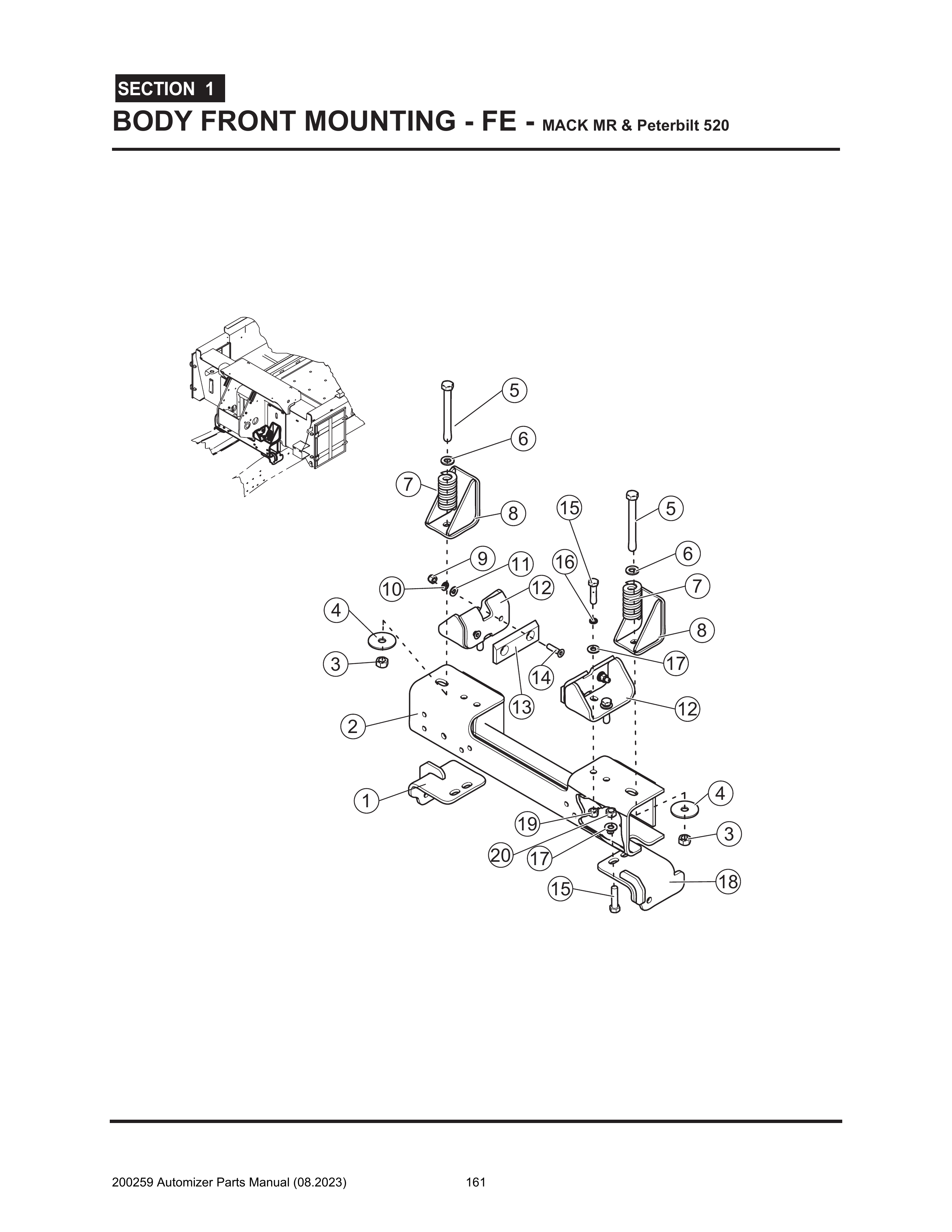
Automizer - PG 161 - Section 1 - BODY FRONT MOUNTING - FE - MACK MR & Peterbilt 520
Ref. No.
Item
Sugg Qty
Price
Quantity
Automizer - PG 161 - Section 1 - BODY FRONT MOUNTING - FE - MACK MR & Peterbilt 520
Fullscreen zoom
View all products
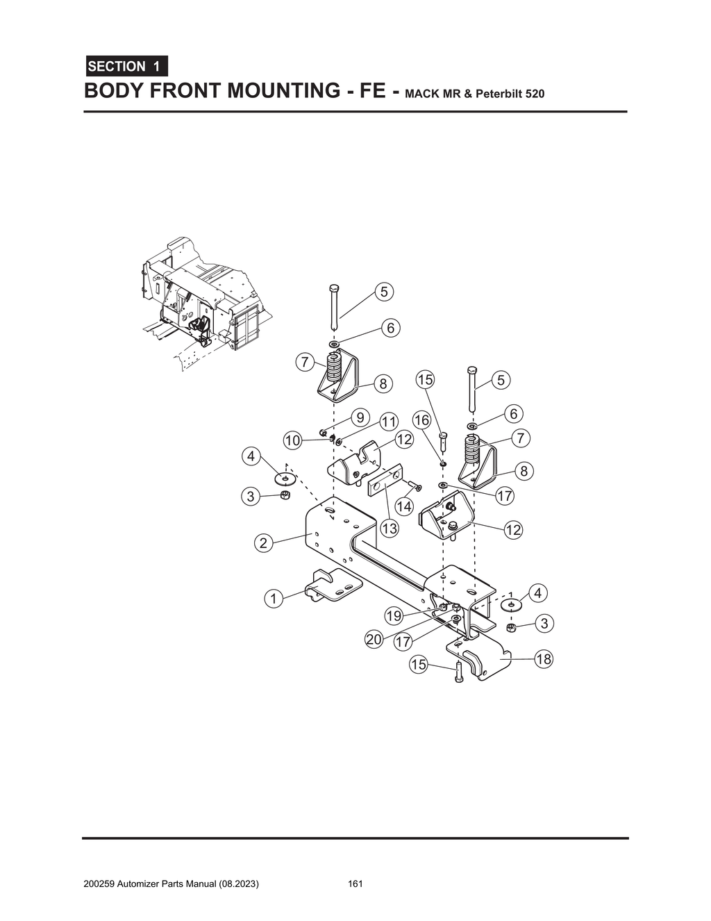
Automizer - PG 161 - Section 1 - BODY FRONT MOUNTING - FE - MACK MR & Peterbilt 520
Ref. No.
Item
Sugg Qty
Required number of pieces per Manufacturer specifications.
Price
Quantity