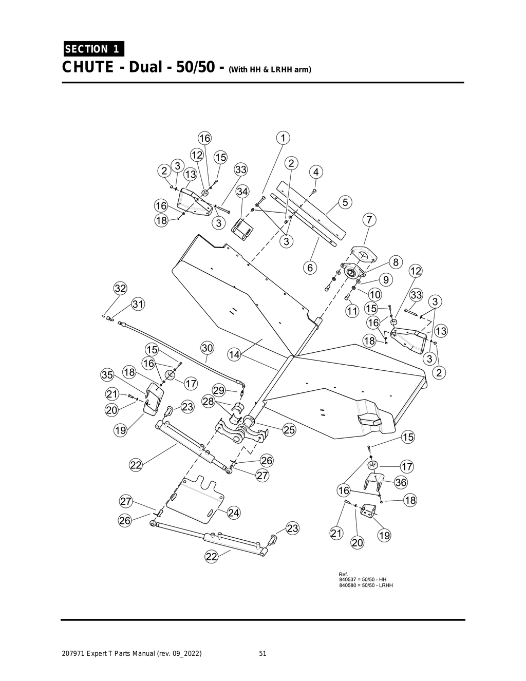
EXPERT - PG 051 - Section 1 - CHUTE - Dual - 50/50 - (With HH & LRHH arm)
Ref. No.
Item
Sugg Qty
Price
Quantity
EXPERT - PG 051 - Section 1 - CHUTE - Dual - 50/50 - (With HH & LRHH arm)
Fullscreen zoom
View all products
EXPERT - PG 051 - Section 1 - CHUTE - Dual - 50/50 - (With HH & LRHH arm)
Ref. No.
Item
Sugg Qty
Required number of pieces per Manufacturer specifications.
Price
Quantity
35
In stock
Out of stock
154479
BRACKET, Bumper - Rearward - L.S.
1
Call for Pricing
In stock
Out of stock
35
In stock
Out of stock
154479
BRACKET, Bumper - Rearward - L.S.
1
Call for Pricing
In stock
Out of stock
36
In stock
Out of stock
154480
BRACKET, Bumper - Rearward - R.S.
1
Call for Pricing
In stock
Out of stock
36
In stock
Out of stock
154480
BRACKET, Bumper - Rearward - R.S.
1
Call for Pricing
In stock
Out of stock