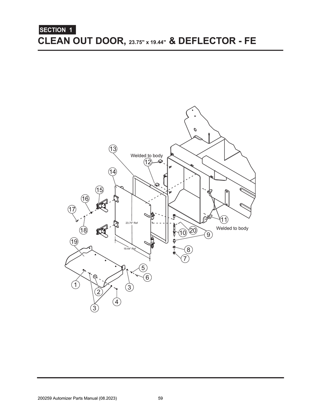
Automizer - PG 059 - Section 1 - CLEAN OUT DOOR, 23.75"x19.44" & DEFLECTOR - TTD
Ref. No.
Item
Sugg Qty
Price
Quantity
Automizer - PG 059 - Section 1 - CLEAN OUT DOOR, 23.75"x19.44" & DEFLECTOR - TTD
Fullscreen zoom
View all products
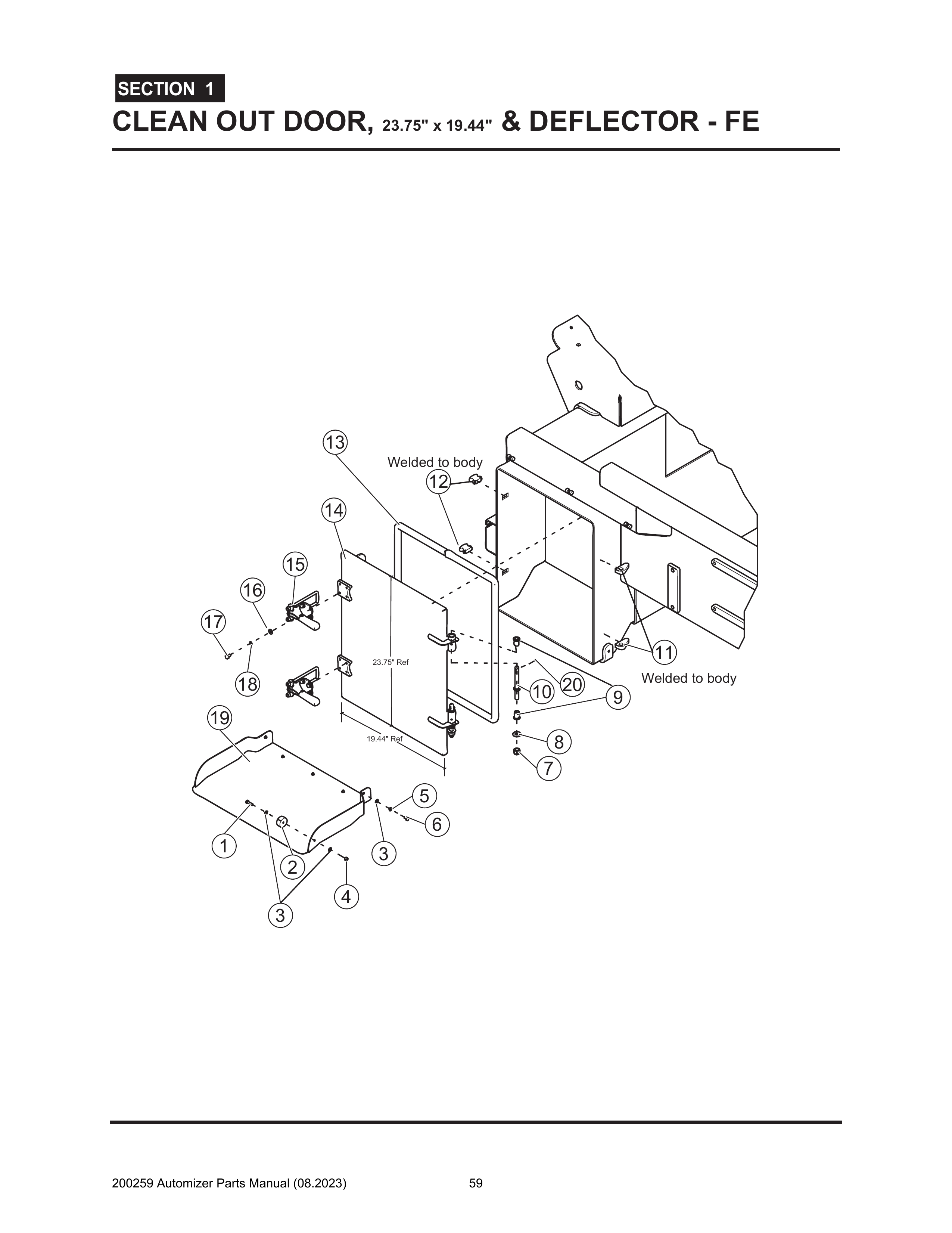
Automizer - PG 059 - Section 1 - CLEAN OUT DOOR, 23.75"x19.44" & DEFLECTOR - TTD
Ref. No.
Item
Sugg Qty
Required number of pieces per Manufacturer specifications.
Price
Quantity