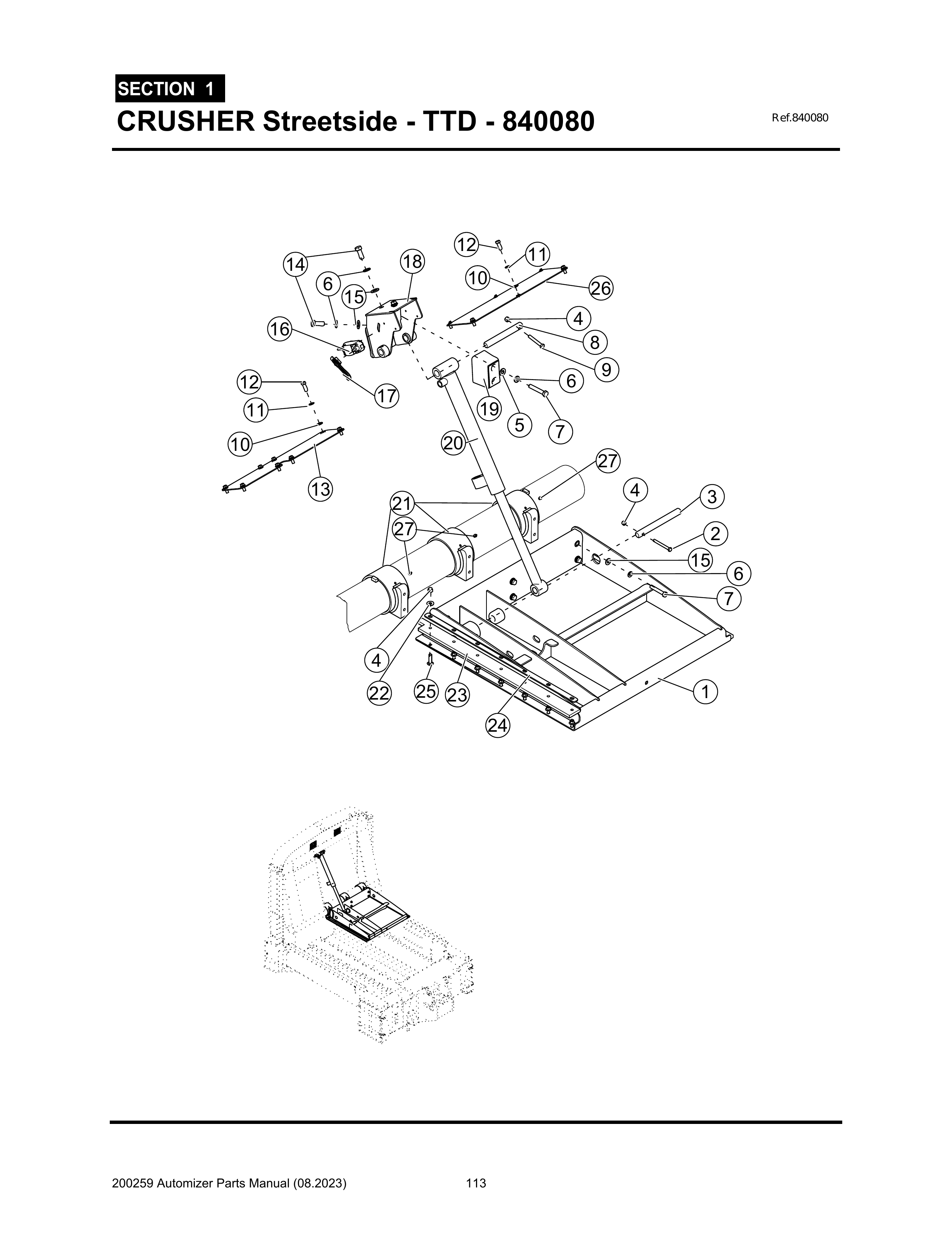
Automizer - PG 113 - Section 1 - CRUSHER Streetside - TTD - 840080
Ref. No.
Item
Sugg Qty
Price
Quantity
Fullscreen zoom
View all products
Automizer - PG 113 - Section 1 - CRUSHER Streetside - TTD - 840080
Ref. No.
Item
Sugg Qty
Required number of pieces per Manufacturer specifications.
Price
Quantity
20
In stock
Out of stock
HYC00198-03
CYLINDER (See Page 517 for Components)
1
Call for Pricing
In stock
Out of stock
20
In stock
Out of stock
HYC00198-03
CYLINDER (See Page 517 for Components)
1
Call for Pricing
In stock
Out of stock
27
In stock
Out of stock
QUG00200
FITTING, Grease (.125" -27 NPT, Straight)
3
Call for Pricing
In stock
Out of stock
27
In stock
Out of stock
QUG00200
FITTING, Grease (.125" -27 NPT, Straight)
3
Call for Pricing
In stock
Out of stock