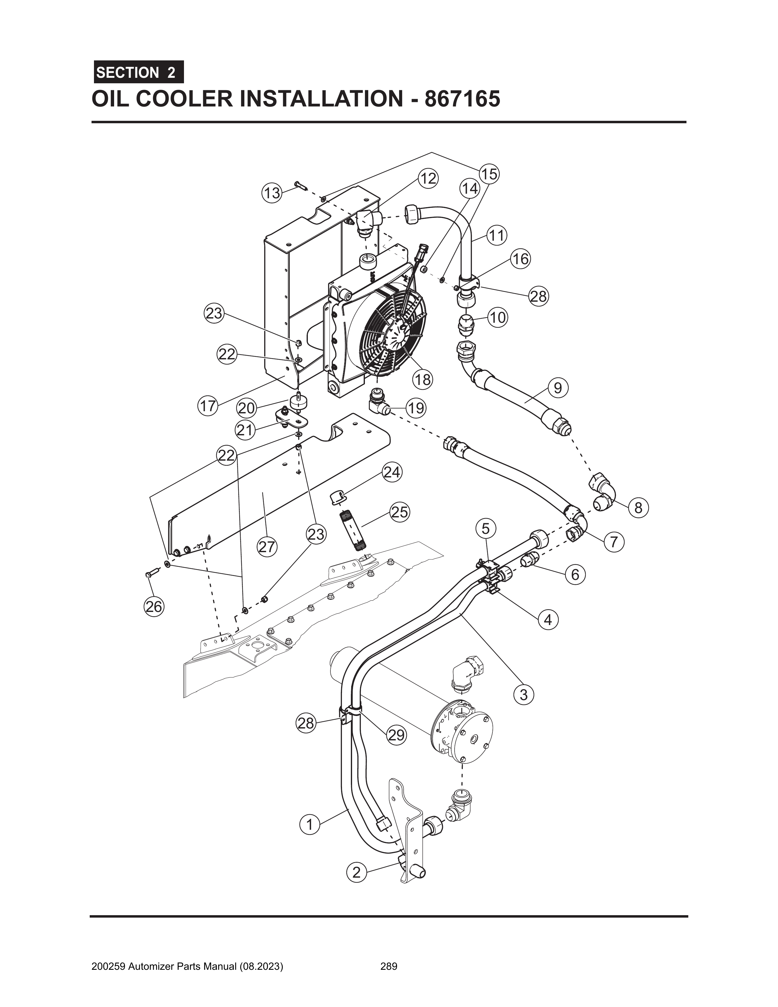
Automizer - PG 289 - Section 2 - OIL COOLER INSTALLATION - 867165

Automizer - PG 289 - Section 2 - OIL COOLER INSTALLATION - 867165

COMPONENTS

Select assembly
Automizer - PG 289 - Section 2 - OIL COOLER INSTALLATION - 867165
Fullscreen zoom
View all products
Automizer - PG 289 - Section 2 - OIL COOLER INSTALLATION - 867165