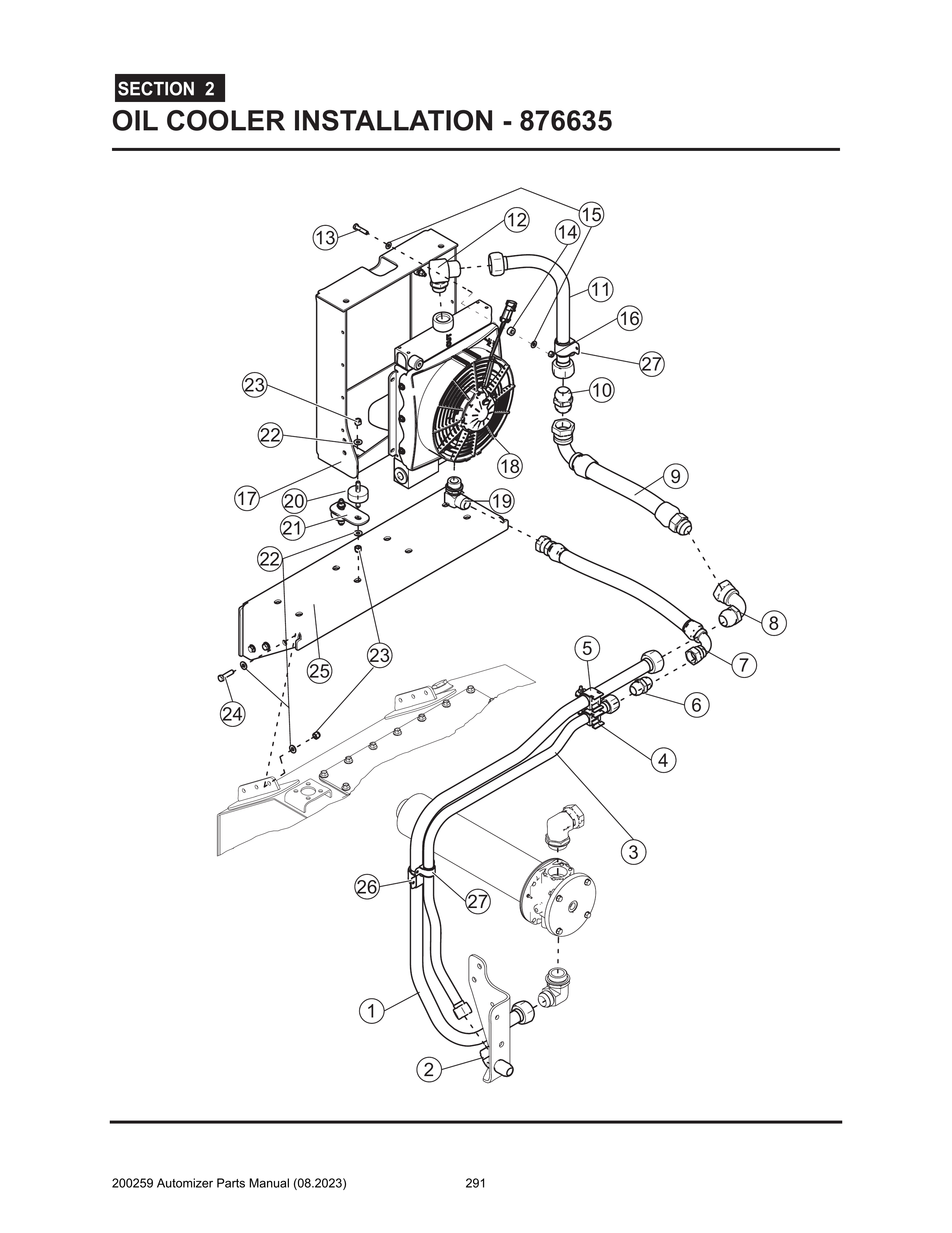
Automizer - PG 291 - Section 2 - OIL COOLER INSTALLATION - 876635

Automizer - PG 291 - Section 2 - OIL COOLER INSTALLATION - 876635

COMPONENTS

Select assembly
Automizer - PG 291 - Section 2 - OIL COOLER INSTALLATION - 876635
Fullscreen zoom
View all products
Automizer - PG 291 - Section 2 - OIL COOLER INSTALLATION - 876635