Automizer - PG 091 - Section 1 - SIDE DOOR - 875572 (FE Units)
Ref. No.
Item
Sugg Qty
Price
Quantity
Fullscreen zoom
View all products
Automizer - PG 091 - Section 1 - SIDE DOOR - 875572 (FE Units)
Ref. No.
Item
Sugg Qty
Required number of pieces per Manufacturer specifications.
Price
Quantity
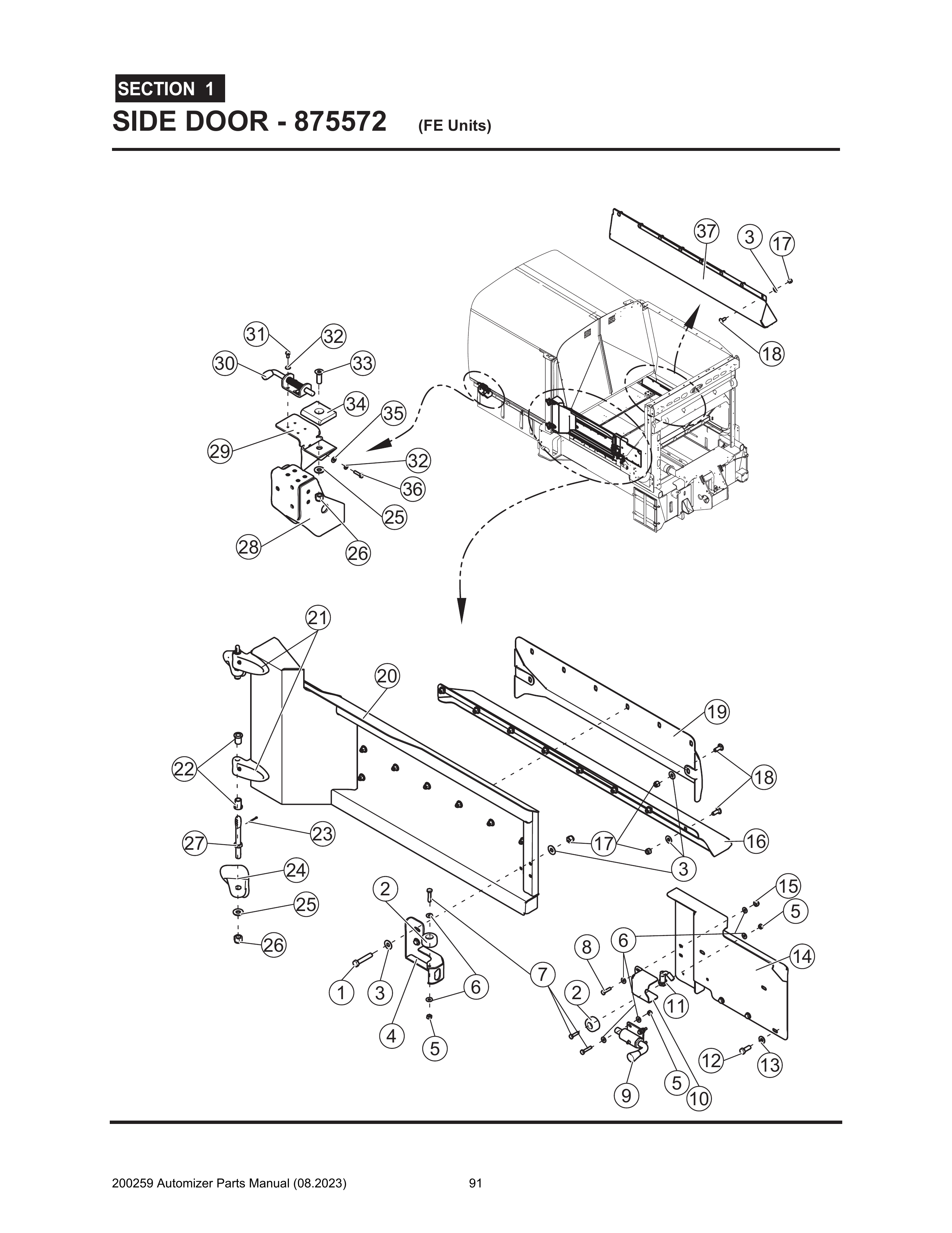
16
In stock
Out of stock
169913
DEFLECTOR, Inside Hopper Curbside
1
Call for Pricing
In stock
Out of stock
16
In stock
Out of stock
169913
DEFLECTOR, Inside Hopper Curbside
1
Call for Pricing
In stock
Out of stock
20
In stock
Out of stock
179829
DOOR, Side (Includes Item 21)
1
Call for Pricing
In stock
Out of stock
20
In stock
Out of stock
179829
DOOR, Side (Includes Item 21)
1
Call for Pricing
In stock
Out of stock
21
In stock
Out of stock
69203
HINGE, Door (Includes Item 20)
2
Call for Pricing
In stock
Out of stock
21
In stock
Out of stock
69203
HINGE, Door (Includes Item 20)
2
Call for Pricing
In stock
Out of stock
24
In stock
Out of stock
69877
HINGE, Body Side (Welded to body)
2
Call for Pricing
In stock
Out of stock
24
In stock
Out of stock
69877
HINGE, Body Side (Welded to body)
2
Call for Pricing
In stock
Out of stock