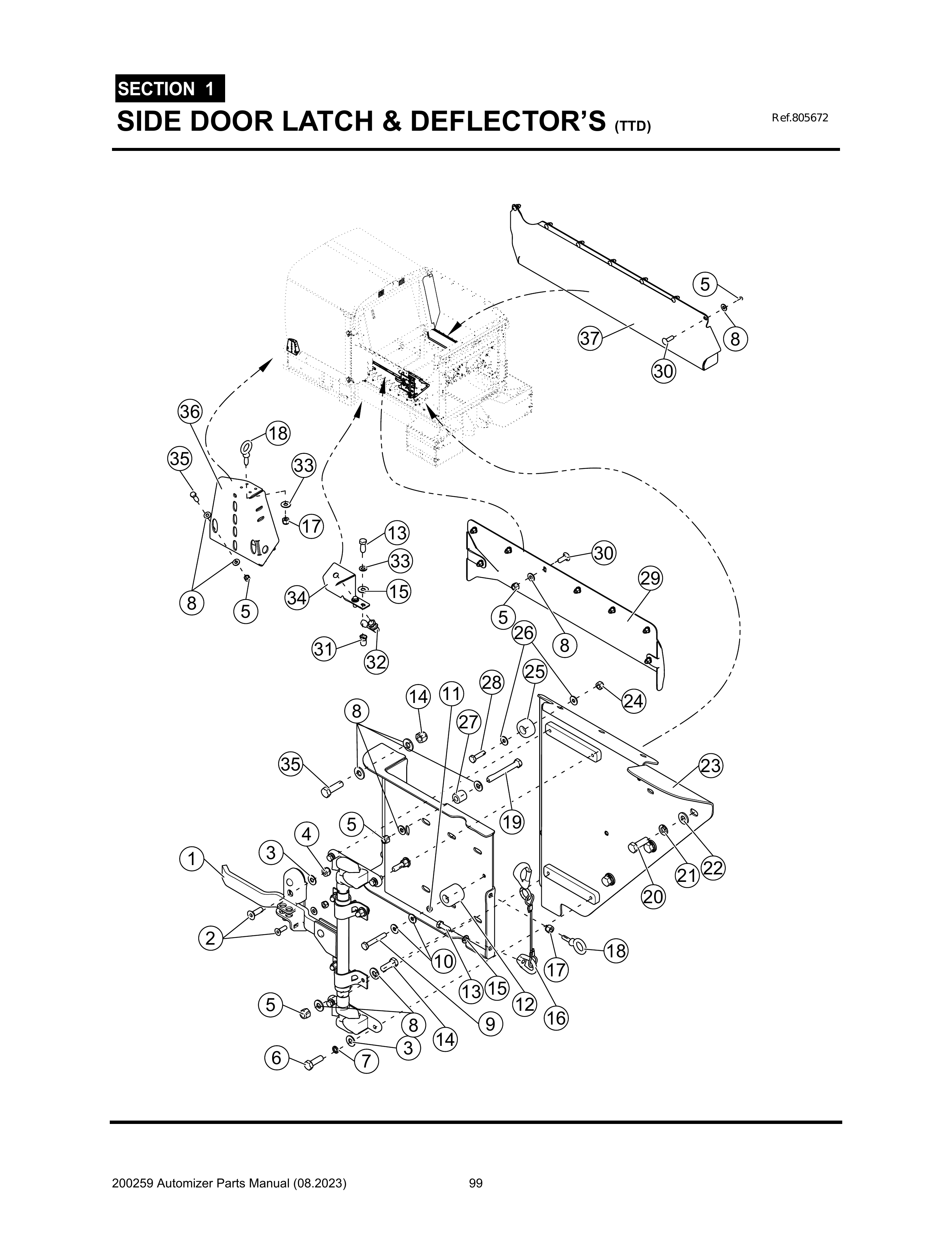
Automizer - PG 099 - Section 1 - SIDE DOOR LATCH & DEFLECTOR’S - 805672
Ref. No.
Item
Sugg Qty
Price
Quantity
Fullscreen zoom
View all products
Automizer - PG 099 - Section 1 - SIDE DOOR LATCH & DEFLECTOR’S - 805672
Ref. No.
Item
Sugg Qty
Required number of pieces per Manufacturer specifications.
Price
Quantity
1
In stock
Out of stock
209457
ASSY., Latch (Dual Lock Lever)
1
Call for Pricing
In stock
Out of stock
1
In stock
Out of stock
209457
ASSY., Latch (Dual Lock Lever)
1
Call for Pricing
In stock
Out of stock