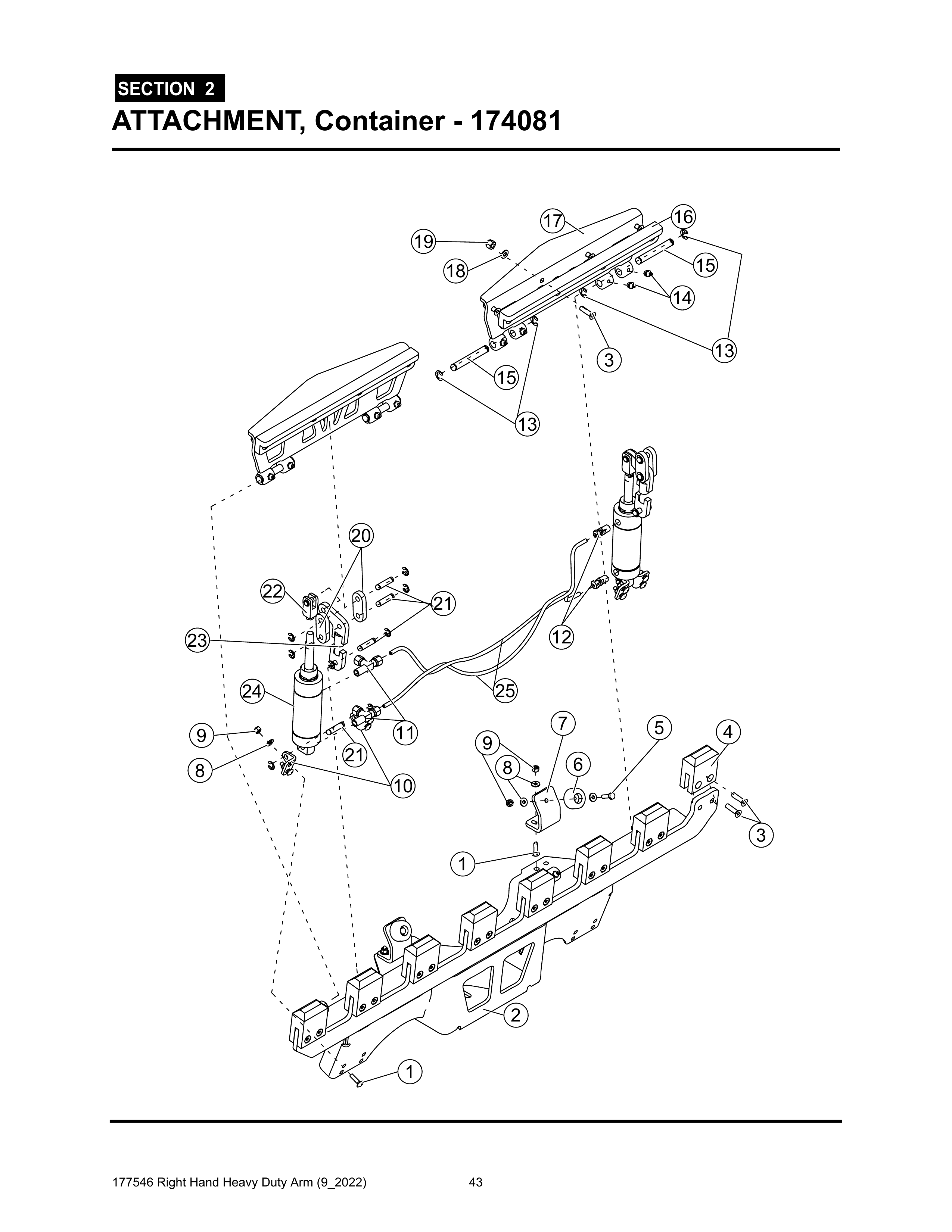
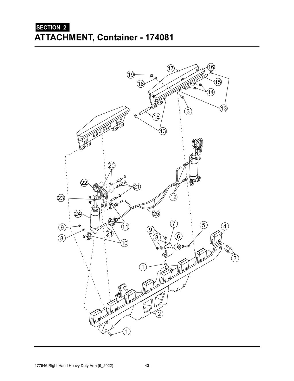
Section 2 - ATTACHMENT, Container - 174081 - Heavy Duty RH Arm
Fullscreen zoom
View all products
Section 2 - ATTACHMENT, Container - 174081 - Heavy Duty RH Arm
Ref. No.
Item
Sugg Qty
Required number of pieces per Manufacturer specifications.
Price
Quantity
21
In stock
Out of stock
QUP02412
ASSY., Pin (Includes Ext. Retainer Rings)
8
Call for Pricing
In stock
Out of stock
21
In stock
Out of stock
QUP02412
ASSY., Pin (Includes Ext. Retainer Rings)
8
Call for Pricing
In stock
Out of stock
22
In stock
Out of stock
PNC00865
CLEVIS, Piston Rod (Includes Retainer Rings, Pin & Nut)
2
Call for Pricing
In stock
Out of stock
22
In stock
Out of stock
PNC00865
CLEVIS, Piston Rod (Includes Retainer Rings, Pin & Nut)
2
Call for Pricing
In stock
Out of stock