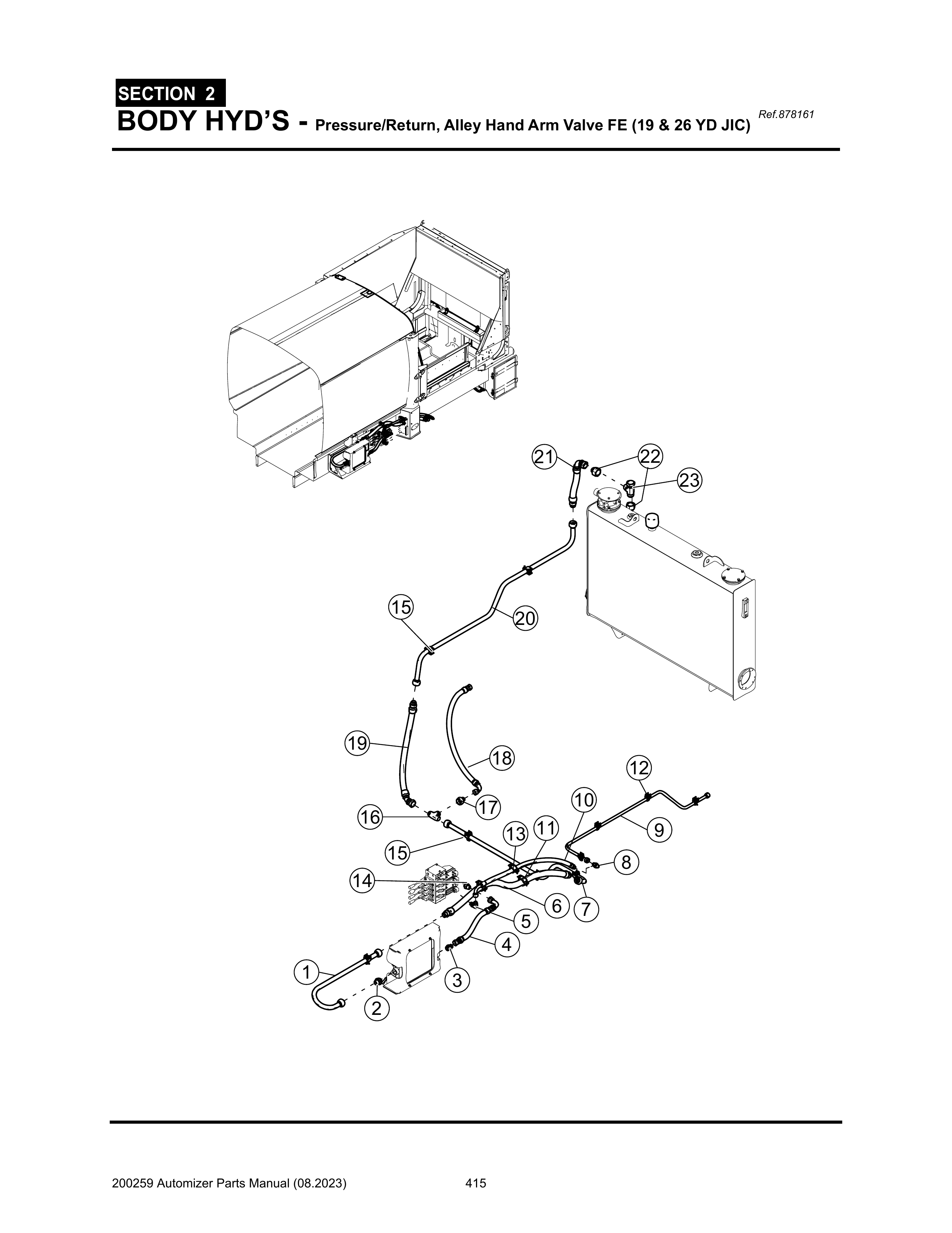
Automizer - PG 415 - Section 2 - BODY HYD’S - Pressure/Return, Alley Hand Arm Valve FE (19 & 26 YD JIC)
Ref. No.
Item
Sugg Qty
Price
Quantity
Automizer - PG 415 - Section 2 - BODY HYD’S - Pressure/Return, Alley Hand Arm Valve FE (19 & 26 YD JIC)
Fullscreen zoom
View all products
Automizer - PG 415 - Section 2 - BODY HYD’S - Pressure/Return, Alley Hand Arm Valve FE (19 & 26 YD JIC)
Ref. No.
Item
Sugg Qty
Required number of pieces per Manufacturer specifications.
Price
Quantity