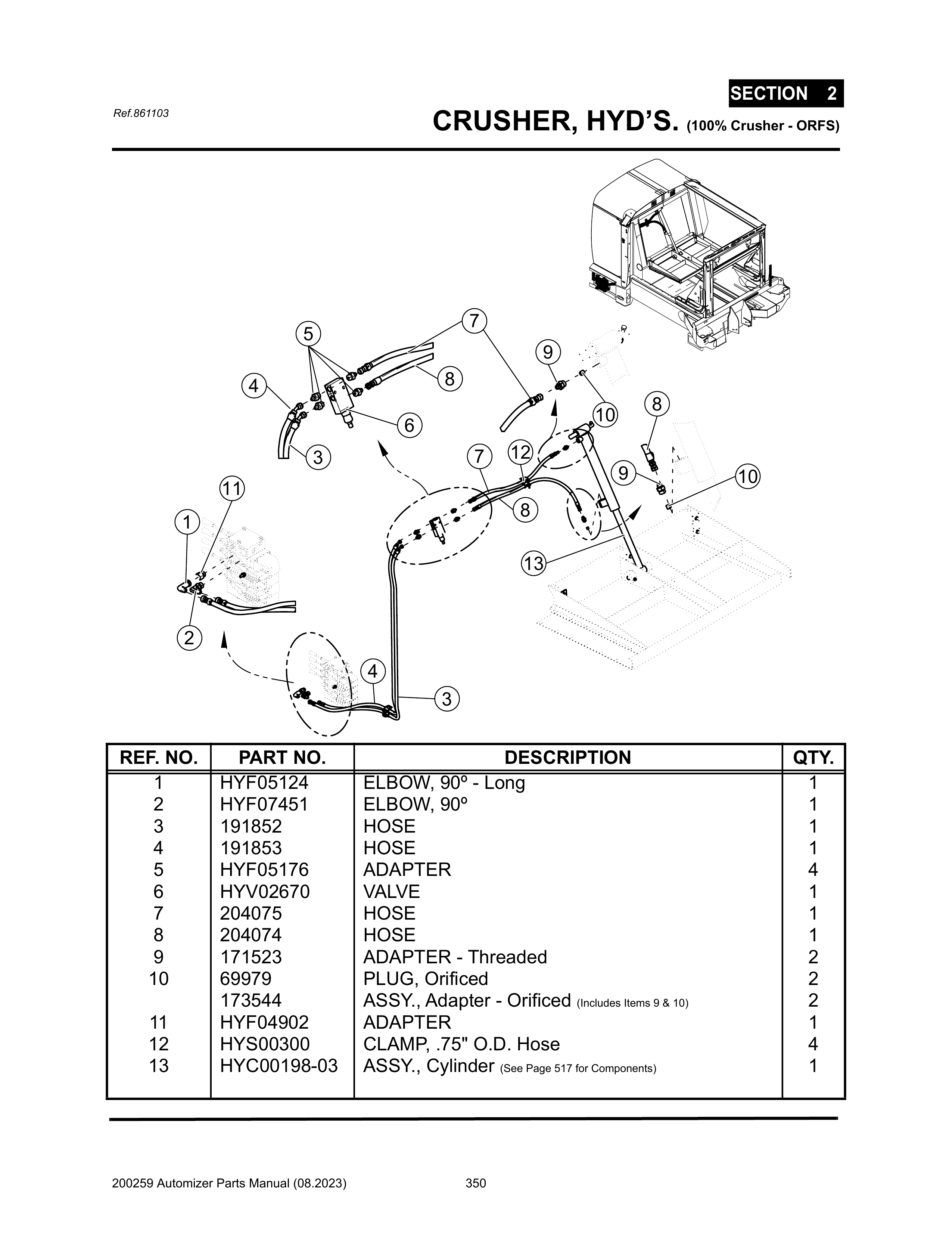
Automizer - PG 350 - Section 2 - CRUSHER HYD’S. (100% Crusher - ORFS)
Ref. No.
Item
Sugg Qty
Price
Quantity
13
In stock
Out of stock
HYC00198-03
ASSY., Cylinder (See Page 517 for Components)
1
Call for Pricing
13
In stock
Out of stock
HYC00198-03
ASSY., Cylinder (See Page 517 for Components)
1
Call for Pricing
Fullscreen zoom
View all products
Automizer - PG 350 - Section 2 - CRUSHER HYD’S. (100% Crusher - ORFS)
Ref. No.
Item
Sugg Qty
Required number of pieces per Manufacturer specifications.
Price
Quantity
13
In stock
Out of stock
HYC00198-03
ASSY., Cylinder (See Page 517 for Components)
1
Call for Pricing
In stock
Out of stock
13
In stock
Out of stock
HYC00198-03
ASSY., Cylinder (See Page 517 for Components)
1
Call for Pricing
In stock
Out of stock