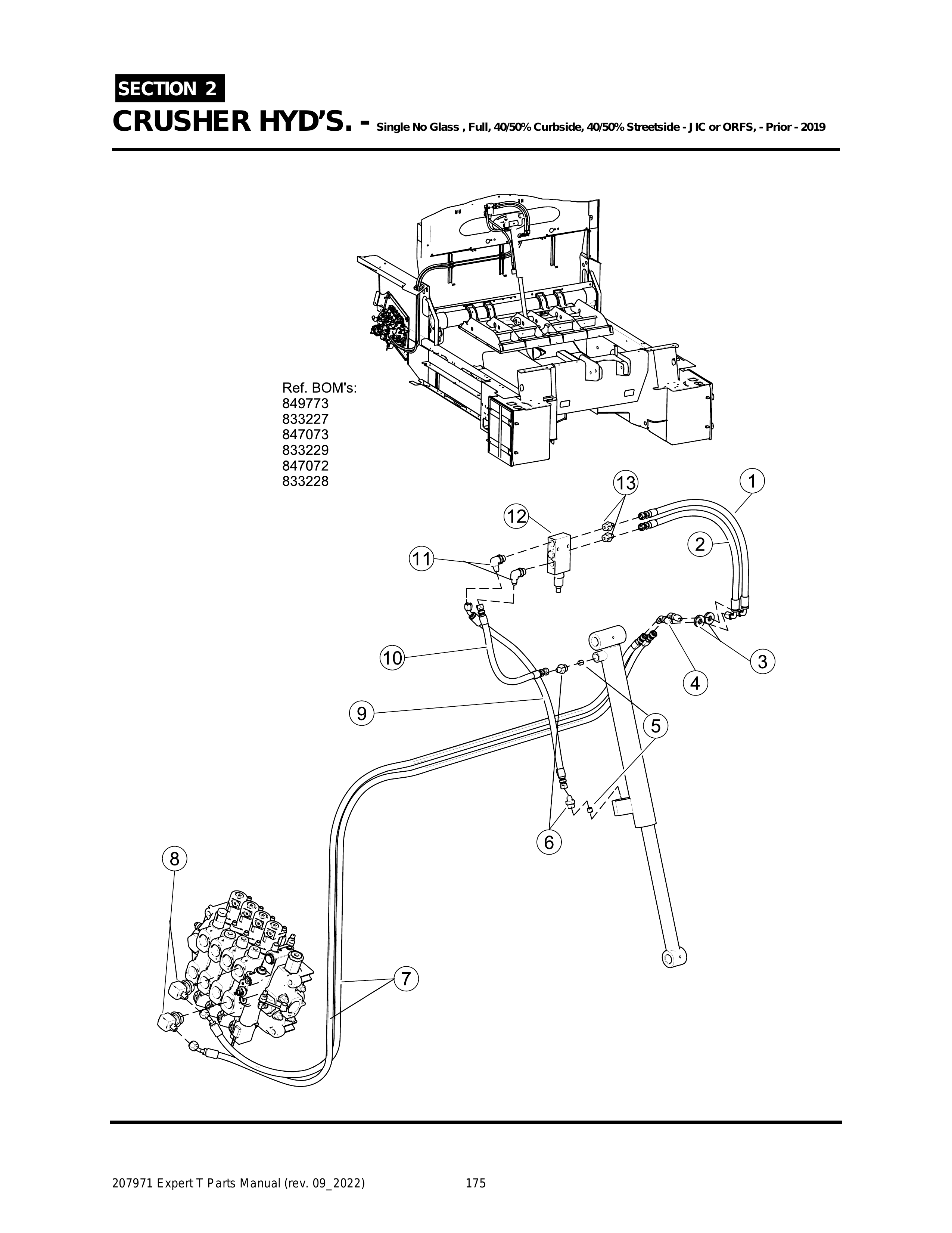
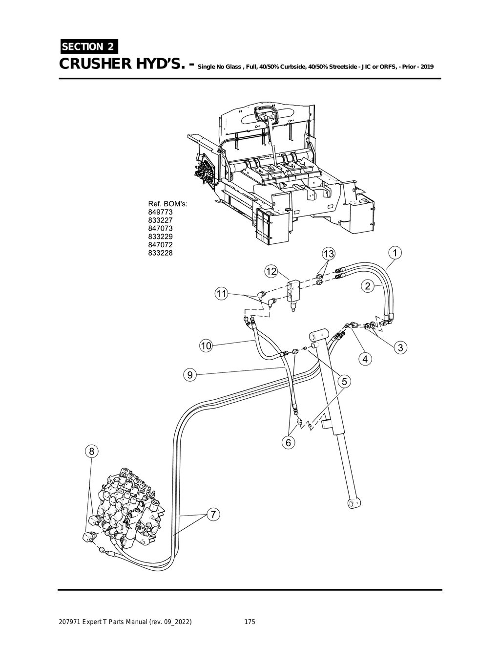
EXPERT - PG 175 - Section 2 - CRUSHER HYD’S. - Prior - 2019

EXPERT - PG 175 - Section 2 - CRUSHER HYD’S. - Prior - 2019

COMPONENTS

Select assembly
EXPERT - PG 175 - Section 2 - CRUSHER HYD’S. - Prior - 2019
Fullscreen zoom
View all products
EXPERT - PG 175 - Section 2 - CRUSHER HYD’S. - Prior - 2019