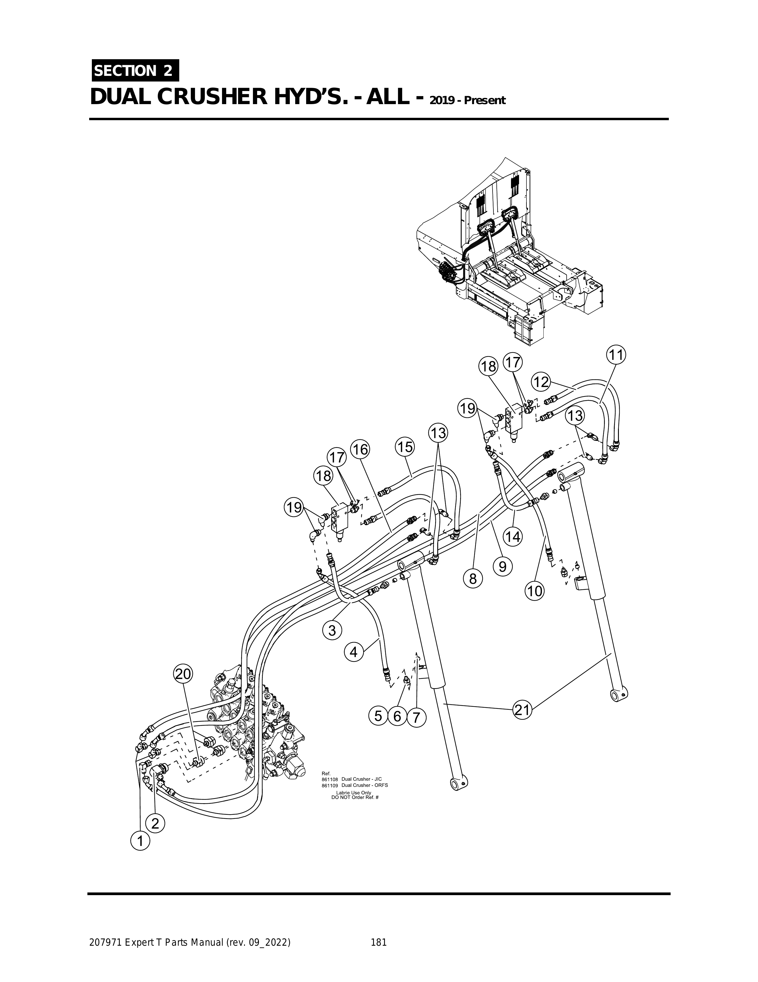
EXPERT - PG 181 - Section 2 - DUAL CRUSHER HYD’S. - ALL - 2019 - Present
Fullscreen zoom
View all products
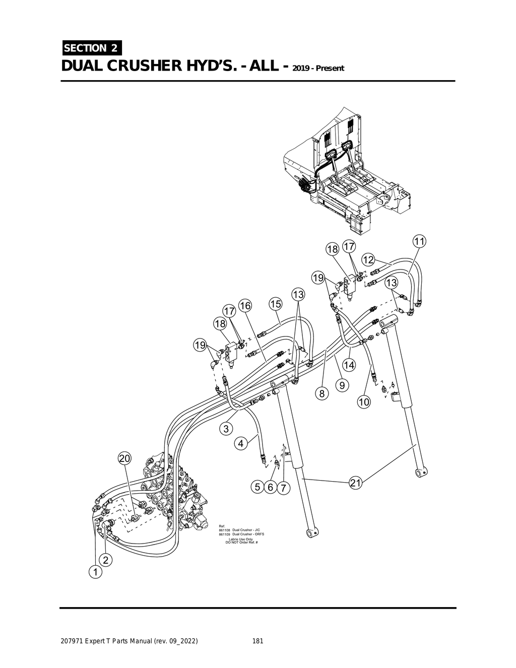
EXPERT - PG 181 - Section 2 - DUAL CRUSHER HYD’S. - ALL - 2019 - Present
Ref. No.
Item
Sugg Qty
Required number of pieces per Manufacturer specifications.
Price
Quantity
5
In stock
Out of stock
173544
ASSY., Adapter - Orificed -JIC (Includes Items 6 & 7)
4
Call for Pricing
In stock
Out of stock
5
In stock
Out of stock
173544
ASSY., Adapter - Orificed -JIC (Includes Items 6 & 7)
4
Call for Pricing
In stock
Out of stock