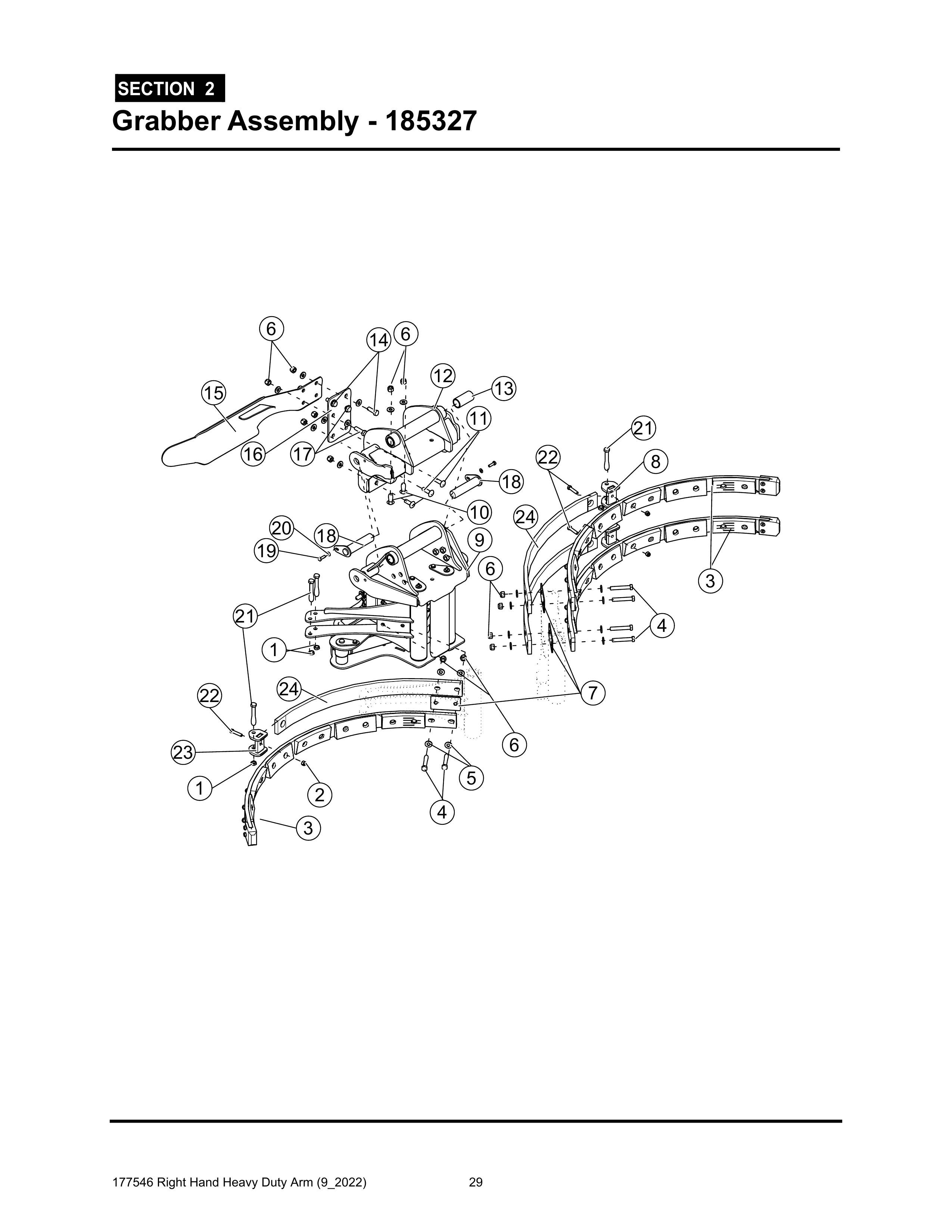
Section 2 - Grabber Assembly - 185327 - Heavy Duty RH Arm
Fullscreen zoom
View all products
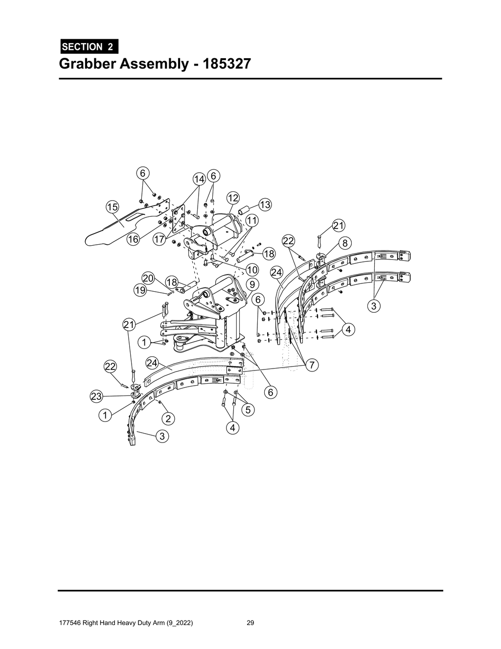
Section 2 - Grabber Assembly - 185327 - Heavy Duty RH Arm
Ref. No.
Item
Sugg Qty
Required number of pieces per Manufacturer specifications.
Price
Quantity
3
In stock
Out of stock
85263
ASSY., Finger (300 Gal.) (See Page 54 for Components)
3
Call for Pricing
In stock
Out of stock
3
In stock
Out of stock
85263
ASSY., Finger (300 Gal.) (See Page 54 for Components)
3
Call for Pricing
In stock
Out of stock
9
In stock
Out of stock
189421
ASSY., Grabber Head (See Page 35 for Components)
1
Call for Pricing
In stock
Out of stock
9
In stock
Out of stock
189421
ASSY., Grabber Head (See Page 35 for Components)
1
Call for Pricing
In stock
Out of stock
12
In stock
Out of stock
154695
ASSY., Head Extension (Includes Item 13)
1
Call for Pricing
In stock
Out of stock
12
In stock
Out of stock
154695
ASSY., Head Extension (Includes Item 13)
1
Call for Pricing
In stock
Out of stock