Automizer - PG 313 - Section 2 - OIL RESERVOIR INSTALLATION - 858306
Ref. No.
Item
Sugg Qty
Price
Quantity
Fullscreen zoom
View all products
Automizer - PG 313 - Section 2 - OIL RESERVOIR INSTALLATION - 858306
Ref. No.
Item
Sugg Qty
Required number of pieces per Manufacturer specifications.
Price
Quantity
1
In stock
Out of stock
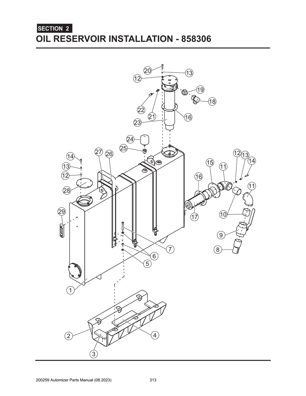
181231
WELDMENT, Oil Reservoir (70 Gallon)
1
Call for Pricing
In stock
Out of stock
1
In stock
Out of stock
181231
WELDMENT, Oil Reservoir (70 Gallon)
1
Call for Pricing
In stock
Out of stock
23
In stock
Out of stock
HYF20014-01
ASSY., Filter (See Page 447 for Components)
1
Call for Pricing
In stock
Out of stock
23
In stock
Out of stock
HYF20014-01
ASSY., Filter (See Page 447 for Components)
1
Call for Pricing
In stock
Out of stock
24
In stock
Out of stock
HYB00730
BREATHER - 3⁄4" NPT - 3μm
1
Call for Pricing
In stock
Out of stock
24
In stock
Out of stock
HYB00730
BREATHER - 3⁄4" NPT - 3μm
1
Call for Pricing
In stock
Out of stock