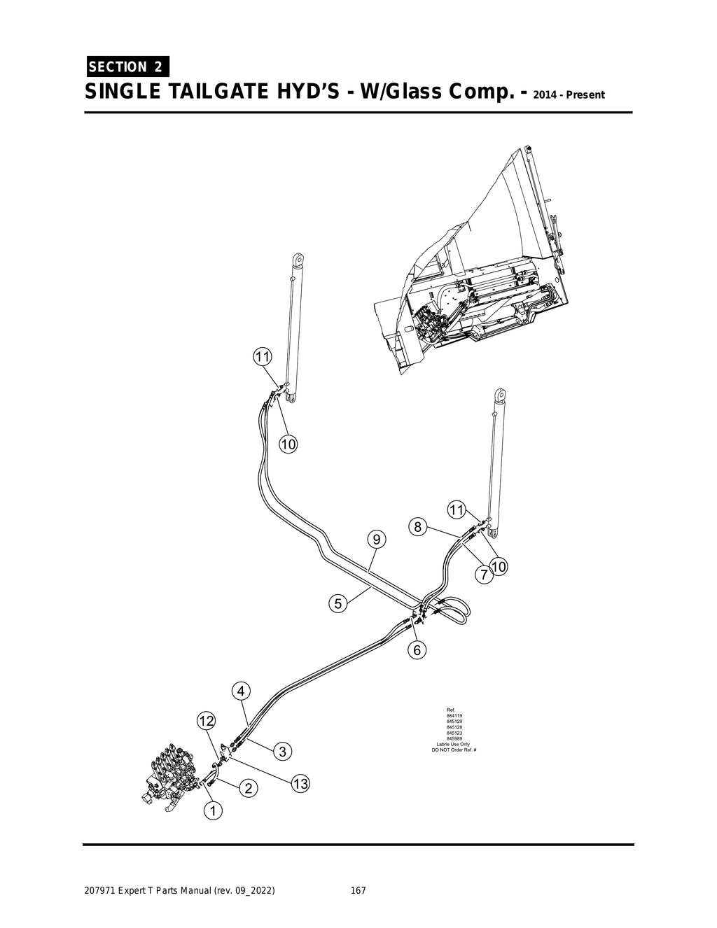
EXPERT - PG 167 - Section 2 - SINGLE TAILGATE HYD’S - W/Glass Comp. - 2014 - Present
Ref. No.
Item
Sugg Qty
Price
Quantity
EXPERT - PG 167 - Section 2 - SINGLE TAILGATE HYD’S - W/Glass Comp. - 2014 - Present
Fullscreen zoom
View all products
EXPERT - PG 167 - Section 2 - SINGLE TAILGATE HYD’S - W/Glass Comp. - 2014 - Present
Ref. No.
Item
Sugg Qty
Required number of pieces per Manufacturer specifications.
Price
Quantity