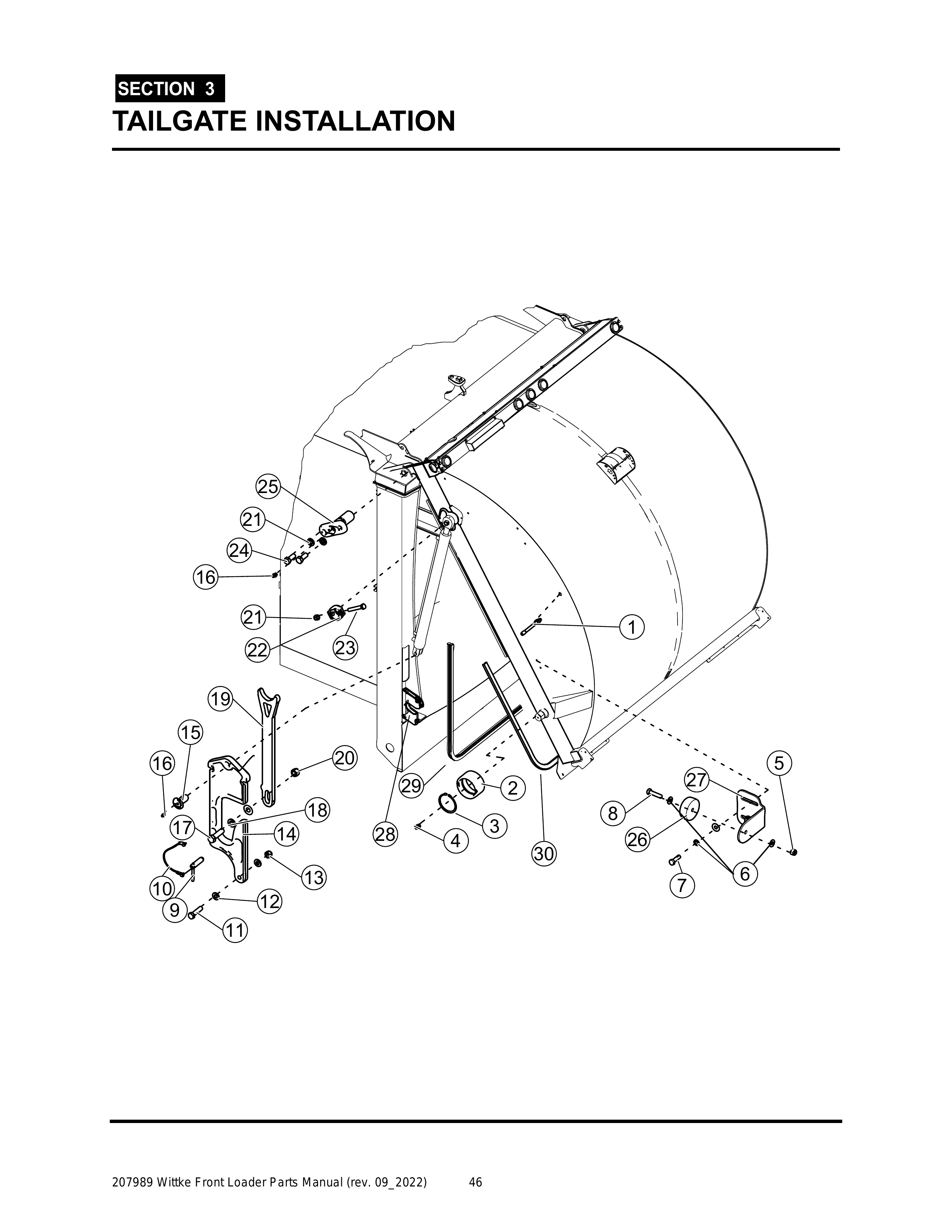
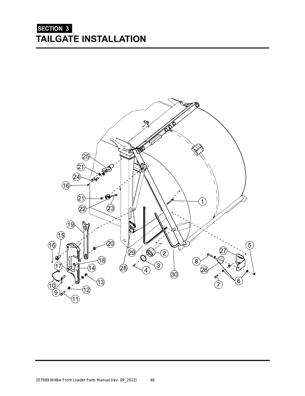
Wittke - All Models - PG 046 - Section 3 - TAILGATE INSTALLATION

Wittke - All Models - PG 046 - Section 3 - TAILGATE INSTALLATION

COMPONENTS

Select assembly
Wittke - All Models - PG 046 - Section 3 - TAILGATE INSTALLATION
Fullscreen zoom
View all products
Wittke - All Models - PG 046 - Section 3 - TAILGATE INSTALLATION