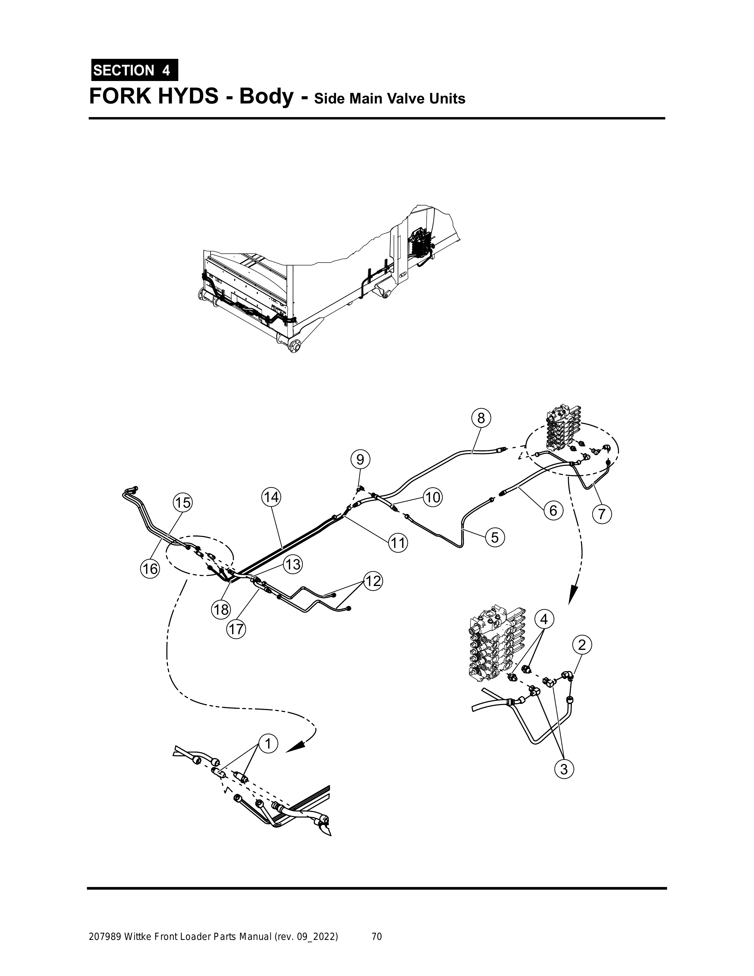
Wittke - All Models - PG 070 - Section 4 - FORK HYDS - Body - Side Main Valve Units
Ref. No.
Item
Sugg Qty
Price
Quantity
Wittke - All Models - PG 070 - Section 4 - FORK HYDS - Body - Side Main Valve Units
Fullscreen zoom
View all products
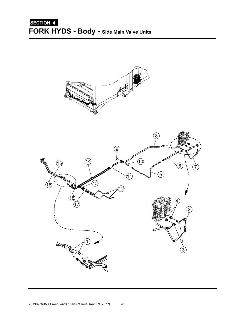
Wittke - All Models - PG 070 - Section 4 - FORK HYDS - Body - Side Main Valve Units
Ref. No.
Item
Sugg Qty
Required number of pieces per Manufacturer specifications.
Price
Quantity